一品ものから大量生産まで、お客様のご要望に応じて一貫加工
東京チタニウムは最先端のチタン加工技術はもちろん、職人技の溶接施工では他社に追随を許さない、弊社ならではの創造性を発揮しています。30年にわたるチタン加工の技術力は、東京チタニウムの中枢機能です。
加工製品

- 製品名
- チタン製ポンプケーシング
- 用途
- 耐薬品用ポンプケース向け
- サイズ
- 80×180×180(mm)
- 材料
- 純チタン2種-丸棒・板
- 工程
- 丸棒-ノコ切断-旋盤加工
板-WJ切断-マシニング加工、板曲げ
⇒TIG溶接組立
弊社の加工技術をフル活用し、社内にて一貫対応しております。
耐薬品性を求められる分野で用いられる遠心ポンプのケーシングをチタンにて製作しました。
- 製品名
- チタン製水中カメラケース
- 用途
- 海洋開発向け
- サイズ
- φ105×138
- 材料
- 64チタンー丸棒
- 工程
- 丸棒-マシニング加工(一体切削加工)
海底探査機用のカメラケースで、一体にてマシニング加工。
- 製品名
- チタン製リアハブ
- 用途
- モータースポーツ向け
- サイズ
- φ124×70(mm)
- 材料
- 64チタンー丸棒
- 工程
- 丸棒-複合加工
学生フォーミュラ向け部品として材料から加工まで一貫で対応しました。
一品一様のワンオフ製作のため、参考価格:530,000円/1個となります。

- 製品名
- チタン製ディファレンシャル
- 用途
- モータースポーツ向け
- サイズ
- φ84×140(mm)
- 材料
- 64チタン-丸棒
- 工程
- 丸棒-複合加工-フライス
学生フォーミュラ向け部品として材料から加工まで一貫で対応しました。
一品一様のワンオフ製作のため、参考価格:400,000円/1個となります。

- 製品名
- チタン製スプロケット
- 用途
- モータースポーツ向け
- サイズ
- φ160×75(mm)
- 材料
- 64チタンー丸棒
- 工程
- 丸棒-複合加工
学生フォーミュラ向け部品として材料から加工まで一貫で対応しました。
一品一様のワンオフ製作のため、参考価格:500,000円/1個となります。
- 製品名
- ウォータージェット切断品
- 用途
- モータースポーツ向け
- サイズ
- ①左上:φ120 × t4
②右上:85 × 85 × t4
③左下:120 × 70 × t2.5
④右下:120 × 365 × t2.5 - 材料
- 純チタン2種ー板
- 工程
- 板-ウォータージェット加工(バリ取り等、仕上げ加工なし)
学生フォーミュラ向け部品として板をウォータージェット切断しました。
諸般の事情からバリ取り等の仕上げ加工は行わず、切断のみの対応となりました。
参考価格(各1個当り)は①20,000、②15,000、③10,000、④20,000となります。
- 製品名
- チタン製耐圧容器
- 用途
- 海洋開発向け
- サイズ
- φ150×200(mm)
- 材料
- 64チタンー丸棒
- 工程
- 丸棒-旋盤加工-マシニング(蓋部)
海洋機器にて制御基板等を収める圧力容器で、蓋と容器のセットにて製作を行いました。
容器の内径、深さ180の深孔加工を行っています。
- 製品名
- チタン製コンデンサー(復水器)
- 用途
- プリント基板製造機向け
- サイズ
- φ46.6×500(mm)
- 材料
- 純チタン2種-板
- 工程
- 丸棒-WJ切断-板曲げ
パイプ-切断
板、パイプをTIG溶接組立
- 製品名
- チタン製耐圧容器
- 用途
- 海洋開発向け
- サイズ
- φ90×250(mm)
- 材料
- 64チタンー丸棒
- 工程
- 丸棒-旋盤加工
- 製品名
- エアナイフ
- 用途
- プリント基板製造機向け
- サイズ
- φ46.6×500(mm)
- 材料
- 純チタン2種-板
- 工程
- 板-WJ切断-板曲げ
パイプ-切断
パイプ・板を使い板金溶接加工
スリット幅を一定にするのがポイント

- 製品名
- エコ・マイクロ熱交換器
- 用途
- 排気熱回収用
- サイズ
- 材料
- SUS316、チタン、ハステロイ、インコネル等
<特徴>
省エネ、排気温度低減に効果的で省スペース、高効率な自由度の高い設計が可能です。
マイクロチューブの使用により高効率化に寄与します。
<カタログ>
エコ・マイクロ熱交換器

- 製品名
- OS投げ込み式熱交換器
- 用途
- 熱源により加熱 冷却に使用
- サイズ
- 材料
- SUS316、チタン、ハステロイ、インコネル等
<特徴>
ジェット対流の生み出す高い熱交換率投込み式の為、安価、シンプルな設計、抜群の耐圧特性

- 製品名
- コイル熱交換器
- 用途
- 熱源により加熱 冷却に使用
- サイズ
- 材料
- SUS316、チタン、ハステロイ、インコネル等
<特徴>
形状寸法を自由設計可能

- 製品名
- マイクロ熱交換器
- 用途
- 超純水・純水用
- サイズ
- 材料
- SUS316、チタン
<特徴>
イオン化防止・コンパクト化
<カタログ>
マイクロ熱交換機詳細
マイクロ熱交換器サイズ表

- 製品名
- ライン熱交換器
- 用途
- 熱源により加熱 冷却に使用
- サイズ
- 材料
- SUS316、チタン、ハステロイ、インコネル等
<特徴>
細管の内外面研磨仕上げの為、液抵抗が少なく熱貫流率の大幅UP
小型・軽量の為据え付け面積が少なくて済みます

- 製品名
- チタン製アルマイト治具
- 用途
- 製品保持
- サイズ
- 材料
- チタンバネ材
<特徴>
金属製品を表面処理液内にて保持するための治具をチタンバネ材にて製作しました。

- 製品名
- シリンダー用白金電極
- 用途
- 表面処理用電極
- サイズ
- 材料
- チタン
<特徴>
耐磨耗(以前は鉛電極)
環境問題対応

- 製品名
- アルカリイオン製水器用電極
- 用途
- アルカリ製水器・酸性製水器
- サイズ
- 材料
- チタン
<特徴>
水道水を電気分解する電極をチタンにて製作しました。
チタンにて製作することで耐食性を向上し、
表面に白金コーティングをして使用します。

- 製品名
- 放電加工電極
- 用途
- 航空機関連
- サイズ
- 材料
- チタン
<特徴>
ガスタービンエンジンの冷却穴などの加工用
加工技術
東京チタニウム様の独自であったり、難しい加工方法を掲載

メリットを記載
φ2.6×0.3tのTiチューブを溶接しております。
弊社の開発した、マイクロ熱交換器の溶接加工風景です。
φ2.6×0.3tのTiチューブを溶接しております。
弊社の開発した、マイクロ熱交換器の溶接加工風景です。
φ2.6×0.3tのTiチューブを溶接しております。
弊社の開発した、マイクロ熱交換器の溶接加工風景です。
φ2.6×0.3tのTiチューブを溶接しております。
弊社の開発した、マイクロ熱交換器の溶接加工風景です。
提案事例
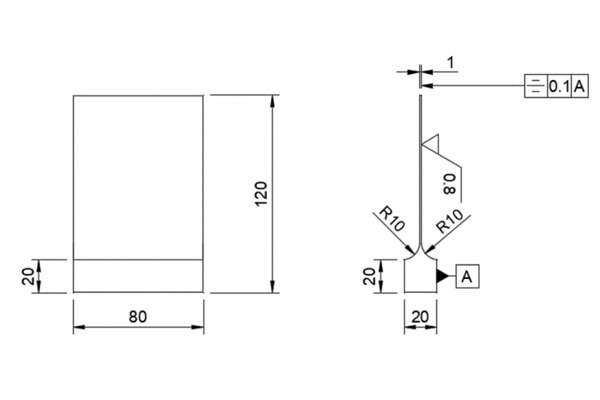
高難易度!Ti-6Al-4V薄肉加工
-
今まではワイヤー加工を行っていたが、先端部の幾何公差(対称度)は十分に満足出来る内容ではなかった。
-
先端部の対称度0.1をクリアする為に、5軸マシニングで加工を行った。


Ti-6Al-4Vの板材から削りだしました。
ワイヤー加工で公差の管理や表面肌を満足するためには、後工程に研磨を行わなければならず高価になってしまいます。
機械加工で有ればRa0.8の表面肌と対称度をクリアできますので、5軸マシニングセンターで加工を行いました。
詳細情報
| 材質 | Ti-6Al-4V |
|---|---|
| 業界 | 産業機械 |
| 設備 | 5軸マシニング |
| 数量 | 1点 |
| 価格・費用 | 100,000円 |
| 納期・リードタイム | 着手より、2週間 |
| 弊社からの提案 | ワイヤー加工ですと後工程にて研磨を行わなければならず高価になるため、ご要望をクリアできる機械加工をご提案しました。 |

